banner

Filter by

Boundary Dynamics of Memcapacitor in Voltage-Excited Circuits and Relaxation Oscillators

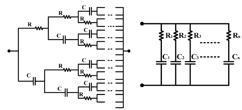
This paper discusses the boundary dynamics of the charge-controlled memcapacitor for Joglekar’s window function that describes the nonlinearities of the memcapacitor’s boundaries. A closed form solution for the memcapacitance is introduced for general doping factor (Formula presented.)p. The derived formulas are used to predict the behavior of the memcapacitor under different voltage excitation

Circuit Theory and Applications

Fractional Order Sallen–Key and KHN Filters: Stability and Poles Allocation

This paper presents the analysis for allocating the system poles and hence controlling the system stability for KHN and Sallen–Key fractional order filters. The stability analysis and stability contours for two different fractional order transfer functions with two different fractional order elements are presented. The effect of the transfer function parameters on the singularities of the system

Circuit Theory and Applications

Fractional order oscillators with single non-zero transmission matrix element

This paper presents a study of fractional order oscillator design based on a matrix. The presented oscillator consists of a general two port network and three impedances. Only two port with single element in its transmission matrix is discussed which gives four possible networks. Different combinations for one element have been investigated. The impedances associated with the studied networks are

Circuit Theory and Applications

Fractional order oscillators based on operational transresistance amplifiers

In this paper, a general analysis of the fractional order operational transresistance amplifiers (OTRA) based oscillator is presented and validated through eight different circuits which represent two classifications according to the number of OTRAs. The general analytical formulas of the oscillation frequency, condition as well as the phase difference are illustrated for each case and summarized

Circuit Theory and Applications

Full-duplex cooperative cognitive radio networks

In this paper, we study the impact of a full-duplex secondary node on a cognitive cooperative network with Multipacket Reception (MPR) capabilities at the receivers. Motivated by recent schemes that make full-duplex communication feasible, we study a model with one primary and one secondary transmitter-receiver pair, where the secondary transmitter is able to relay primary unsuccessful packets

Circuit Theory and Applications
Software and Communications

Refractive index extraction and thickness optimization of Cu2ZnSnSe4 thin film solar cells

Cu2ZnSnSe4 (CZTSe) thin film solar cells are promising emergent photovoltaic technologies based on low-bandgap absorber layer with high absorption coefficient. To reduce optical losses in such devices and thus improve their efficiency, numerical simulations of CZTSe solar cells optical characteristics can be performed based on individual optical properties of each layer present in the cell

Software and Communications

Efficient spectrum access strategies for cognitive networks with general idle time statistics

In this paper we study the problem of secondary user channel access in cognitive radio networks. In particular, we address the problem of deciding the secondary user sensing vs. transmission at any point of time, assuming the availability of the primary user idle time statistics. Towards this objective, we make the following contributions. First, unlike prior work, we assume unconstrained general

Software and Communications

On the effective capacity of delay constrained cognitive radio networks with relaying capability

In this paper we analyze the performance of a secondary link in a cognitive radio relaying system operating under a statistical quality of service (QoS) delay constraint. In particular, we quantify analytically the Effective Capacity improvement for the secondary user when it offers a packet relaying service to the primary user packets that are lost under the SINR interference model. Towards this

Software and Communications

Effective area spectral efficiency for wireless communication networks with interference management

In this paper, we introduce a new metric, namely, effective area spectral efficiency (EASE), to quantify the spectral efficiency as well as the spatial properties of point-to-point transmission systems and decode and forward (DF) relaying communications networks with interference management. For each transmission mode, we derive a closed-form expression for the maximum transmission range under

Software and Communications

Effective area spectral efficiency metric for decode-and-forward cooperative wireless communications

In this paper, we introduce a new metric, namely: effective area spectral efficiency (EASE), to quantify the spectral efficiency as well as the spatial properties of decoding and forward (DF) relaying wireless communications networks with interference management. The EASE metric is based on the average affected area, the average ergodic capacity, and a new introduced index, namely: source relay

Software and Communications