banner

Filter by

Two-port two impedances fractional order oscillators

This paper presents a study for general fractional order oscillator based on two port network where two topologies of oscillator structure with two impedances are discussed. The two impedances are chosen to be fractional elements which give four combinations for each topology. The general oscillation frequency, condition and the phase difference between the two oscillatory outputs are deduced in

Circuit Theory and Applications

A mathematical model of an ideally threshold compensated rectifier for RF energy harvesting

This paper introduces a mathematical model of an ideally threshold compensated rectifier for RF energy harvesting. The ideally compensation arrangement has been exploited to improve the rectifier's performance and overcome the limitation of rectifier's sensitivity which mainly depends on the threshold voltage of the rectifying devices (transistors). The model considers the conduction angle and the

Circuit Theory and Applications

Charging and discharging RCα circuit under Riemann-Liouville and Caputo fractional derivatives

In this paper, the effect of non-zero initial condition on the time domain responses of fractional-order systems using Caputo and Riemann-Liouville (RL) fractional definitions are discussed. Analytical formulas were derived for the step and square wave responses of fractional-order RCα circuit under RL and Caputo operators for non-zero initial condition. Moreover, a simulation scheme for

Circuit Theory and Applications

Realizing fractional-order elements using CCII based mutators

Nowadays, impedance converter and inverter circuits are very vital for the fractional order circuit design. Mutators are one of the common circuits used for that purpose. So, two fractional order mutators are discussed in this work; the first one converts a resistance into a fractional order element. The second mutator family converts any fractional order element to a different fractional order

Circuit Theory and Applications

Nonlinear time-series analysis of current signal in cathodic contact glow discharge electrolysis

In the standard two-electrode configuration employed in electrolytic process, when the control dc voltage is brought to a critical value, the system undergoes a transition from conventional electrolysis to contact glow discharge electrolysis (CGDE), which has also been referred to as liquid-submerged micro-plasma, glow discharge plasma electrolysis, electrode effect, electrolytic plasma, etc. The

Circuit Theory and Applications

Series and parallel circuit models containing memristors and inverse memristors

In this paper, we propose a single equation that can be used to describe a circuit that contains series or parallel-connected R, L, C and memristor components in addition to a new element called inverse memristor M. Connecting these elements either series or parallel affects the pinched hysteresis lobes where the pinch point moves from the origin and lobes area shrinks or widens. Different cases

Circuit Theory and Applications

Fractional-Order Two-Port Networks

We introduce the concept of fractional-order two-port networks with particular focus on impedance and admittance parameters. We show how to transform a 2 × 2 impedance matrix with fractional-order impedance elements into an equivalent matrix with all elements represented by integer-order impedances; yet the matrix rose to a fractional-order power. Some examples are given. © 2016 M. E. Fouda et al

Circuit Theory and Applications

Compact Wide Frequency Range Fractional-Order Models of Human Body Impedance against Contact Currents

Three circuit models using constant phase elements are investigated to represent the human body impedance against contact currents from 40 Hz to 110 MHz. The parameters required to represent the impedance are determined using a nonlinear least squares fitting (NLSF) applied to the averaged human body impedance dataset. The three fractional-order models with 4, 6, and 7 parameters are compared to

Circuit Theory and Applications

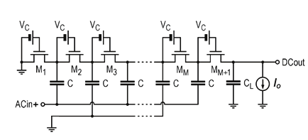
Full implementation of a capacitance-to-digital converter system based on SAR logic and charge redistribution technique

This paper demonstrates a low power 6-bit single-ended voltage-based Capacitance-to-Digital Converter (CDC) circuit based on a charge redistribution technique and Successive Approximation Register (SAR) logic operating at 370 kHz sampling rate. A proposed realization of a SAR logic control unit integrated with a low power comparator is introduced where the system blocks are entirely built on the

Circuit Theory and Applications

Fractional-order oscillators

Fractional-order calculus is the branch of mathematics which deals with non-integerorder differentiation and integration. Fractional calculus has recently found its way to engineering applications; particularly electronic circuits with promising results showing the feasibility of fabricating fractional-order capacitors on silicon. Fractionalorder capacitors are lossy non-deal capacitors with an

Circuit Theory and Applications