banner

Filter by

Extraction of degradable bio polymer materials from shrimp shell wastes by two different methods

Chitosan is one of the most widespread biopolymer materials available in nature which is extracted from chitin. The main source of chitosan is the chitin that is extracted from exoskeletons of crustacean, such as shrimp and crabs, which are found in a huge amount of shells waste that produced from seafood companies around the world. The chitosan has several applications such as pharmaceutical

Agriculture and Crops

Capacitive behavior and stored energy in supercapacitors at power line frequencies

Supercapacitors are commonly viewed and mainly employed as dc electrical energy storage devices. Their behavior at far-from-dc is usually overlooked and not well explored for potential applications. In this work, we investigate analytically and experimentally the performance of supercapacitor at high frequencies, including the 50 Hz/60 Hz power line frequencies. The variation of effective

Energy and Water
Circuit Theory and Applications

Mathematical analysis of gene regulation activator model

This paper presents a complete analysis of the mathematical model of the gene regulation process. The model describes the induced gene expression under the effect of activators. The model differential equations are solved analytically, and the exact solution of the gene model is introduced. Moreover, a study of the model dynamics, including the fixed points and stability conditions are presented

Healthcare
Circuit Theory and Applications

Memristor-CNTFET based Ternary Comparator unit

This paper proposes a new design for ternary logic comparator unit based on memristive threshold logic concept. To provide high-performance design, integrating memristor and Carbon Nano-Tube Field-Effect Transistor, CNTFET, is used. A comparison with other related work is presented to discuss performance aspects. It shows that performance has been improved by 75% compared with the other related

Circuit Theory and Applications

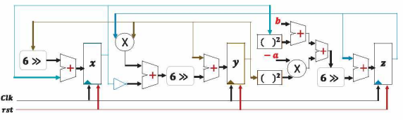
Hardware Speech Encryption Using a Chaotic Generator, Dynamic Shift and Bit Permutation

This paper proposes a speech encryption and decryption system, its hardware architecture design and FPGA implementation. The system utilizes Nosé Hoover chaotic generator and/or dynamic shift and bit permutation. The effect of different blocks in the proposed encryption scheme is studied and the security of the system is validated through perceptual and statistical tests. The complete encryption

Circuit Theory and Applications

High-Frequency Capacitorless Fractional-Order CPE and FI Emulator

A fractional-order capacitor and inductor emulator, implemented using MOS transistors, instead of passive capacitors, is introduced in this paper. This is achieved using current mirrors as active elements, without passive resistors, and therefore reducing the circuit complexity and resulting in both a resistorless and capacitorless topology. The emulator has been designed by combining fractional

Circuit Theory and Applications

Fractional Order Sliding Mode PID Controller/Observer for Continuous Nonlinear Switched Systems with PSO Parameter Tuning

In this article a fractional order sliding mode PID controller and observer for the stabilization of continuous nonlinear switched systems is proposed. The design of the controller and observer is done following the separation principle, this means that the observer and controller are designed in a separate fashion, so a hybrid controller is implemented by designing the sliding mode controller

Artificial Intelligence
Circuit Theory and Applications
Software and Communications

Experimental comparison of integer/fractional-order electrical models of plant

In this paper, different integer and fractional-order models are studied from electrical point of view, these models are used to fit the measured impedance data for different types of fruits and vegetables. Experimental work is done on eight different models for six types of fruits to verify the best fitting model. Electric impedance is measured in the range of frequencies (200 mHz–200 Khz) using

Circuit Theory and Applications
Agriculture and Crops

All-Solid-State Double-Layer Capacitors Using Binderless Reduced Graphene Oxide Thin Films Prepared by Bipolar Electrochemistry

Bipolar electrochemistry is used as an economical, single-step, and scalable process for the oxidation of a wireless graphite substrate, and the subsequent electrophoretic deposition of graphene oxide thin film on a second wireless substrate. An all-solid-state symmetric double-layer capacitor (EDLC) using binderless reduced graphene oxide electrodes exhibited outstanding reversibility and

Energy and Water
Circuit Theory and Applications

Memcapacitor based charge pump

This paper proposes a charge pump based on a charge controlled memcapacitor. The operation of the charge pump is investigated along with the mathematical analysis of the memcapacitor. Different implementations of charge pump are summarized. The proposed charge pump has the capability of driving low input voltage in range of 200mv and the capability of operating at the low frequencies which makes

Circuit Theory and Applications