banner

Filter by

Permutation-Only FPGA Realization of Real-Time Speech Encryption

This paper introduces an FPGA design methodology of a sample and bit permutation speech encryption system. Pipelining method is used to build the proposed system, which can have different number of permutation levels. The security of the system is evaluated using entropy, Mean Squared Error (MSE) and correlation coefficients comparing the different permutation levels. The results demonstrate the

Circuit Theory and Applications

Type-2 Fuzzy Technique for LTE Handover Optimization Based on Cooperated Multi-Point

A seamless and fast handover from one cell to another is one of the main goals of long term evolution (LTE). Hence, the decision of handover is a critical part of the design process of handover. Then the selection of handover parameters must be in a careful and optimal way to have an efficient and successful handover. In this paper, a new optimized CoMP handover algorithm (CoMP HO) for LTE network

Software and Communications

Enhancing spectral efficiency of FSO system using adaptive SIM/M-PSK and SIMO in the presence of atmospheric turbulence and pointing errors

This paper proposes an adaptive transmission modulation (ATM) technique for free-space optical (FSO) links over gamma-gamma turbulence channels.The ATM technique provides efficient utilization of the FSO channel capacity for improving spectral efficiency, by adapting the order of the phase-shift keying modulation scheme, according to the channel conditions and the required bit error rate (BER). To

Energy and Water

Using Meta-heuristic Optimization to Extract Bio-impedance Parameters from an Oscillator Circuit

This paper introduces a method for extracting the Cole-impedance model parameters using a meta-heuristic optimization technique. The method is based on a single proposed resistor controlled oscillator (SRCO) where the unknown bio-impedance is embedded. At two different oscillation frequencies, the start-up oscillation condition is recorded. Then the corresponding nonlinear equations are solved

Circuit Theory and Applications

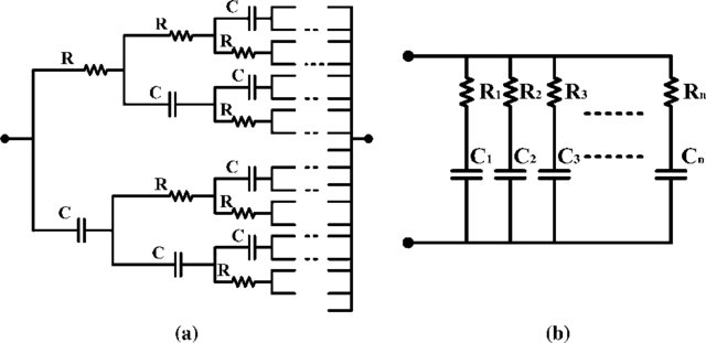
Realization of fractional-order capacitor based on passive symmetric network

In this paper, a new realization of the fractional capacitor (FC) using passive symmetric networks is proposed. A general analysis of the symmetric network that is independent of the internal impedance composition is introduced. Three different internal impedances are utilized in the network to realize the required response of the FC. These three cases are based on either a series RC circuit

Circuit Theory and Applications

Rates and Effects of Local Minima on Fractional-Order Circuit Model Parameters Extracted from Supercapacitor Discharging Using Least Squares Optimization

Optimization routines are widely used to numerically determine a set of model parameters that best fit collected experimental data. One recent application of these methods is to extract the fractional-order circuit model parameters that accurately characterize the transient behavior of discharging supercapacitors. However, the variability that these methods introduce to the extracted model

Circuit Theory and Applications

Impact of Temporally Correlated Nakagami-m Interferers in D2D Cache-Aided Networks

In this paper, we exploit tools from stochastic geometry to characterize the average probability of successful content delivery in a cache-enabled device-to-device (D2D) network under Nakagami- m fading. Specifically, we focus on the impact of temporal interference correlation due to erroneous packets retransmissions. The aggregate network interference is characterized under a slotted Aloha scheme

Software and Communications

Parameter identification of fractional-order chaotic systems using different Meta-heuristic Optimization Algorithms

Fractional-order chaotic systems (FOCS) parameter identification is an essential issue in chaos control and synchronization process. In this paper, different recent Meta-heuristic Optimization Algorithms are used to estimate the parameters and orders of three FOCS. The investigated systems are Arneodo, Borah rotational attractor and Chen double- and four-wing systems. The employed algorithms are

Circuit Theory and Applications

Electronically tunable fractional-order highpass filter for phantom electroencephalographic system model implementation

The fractional-order model of a phantom electroencephalographic system, at various distances between electrodes, is realized using appropriate decomposition of the rational transfer functions which approximate the highpass filters that describe its dynamics. The main offered benefits, in comparison to the corresponding straightforward implementations of the rational transfer functions, are the

Circuit Theory and Applications

Conical and cylindrical metallic nanoparticles design for plasmonic photovoltaics enhancement

Plasmonic Photovoltaics are considered as a promising candidate for enhancing the optical absorption by embedding metallic nanoparticles that confine the incident light in the cell. This results in thin-film PVs with improved efficiency. In this paper, the effects of embedding both conical and cylindrical metal nanoparticles in plasmonic PVs are investigated. The extinction cross sections for

Circuit Theory and Applications