banner

Filter by

Generation of OFC by Self-Phase Modulation and Multiple Laser Sources in HNLF

Self-Phase Modulation (SPM) is a non-linear phenomenon relating to the self-induced phase shift encountered by the optical field during its transmission into the optical fiber. It is the most popular technique for generating an optical frequency comb (OFC) with different frequency spacing values. The SPM is regulated by many parameters such as fiber length, input optical power, and the non

Software and Communications

Generic evaluation of FSO system over Málaga turbulence channel with MPPM and non-zero-boresight pointing errors

Free space optical (FSO) communication channels are affected by fluctuations in irradiance due to atmospheric turbulence and pointing errors. Recently, a generalized statistical model knows as Málaga (M) was developed to describe irradiance fluctuations of the beam propagating through a turbulent medium. In this paper, an approximate finite-series probability density function (PDF) for composite M

Software and Communications

Modeling of carrier mobility for semispherical quantum dot infrared photodetectors (QDIPs)

Carrier mobility for quantum dot infrared photodetectors is considered as one of the critical parameters to determine many important device’s performance parameters such as the electrical conductivity, drift velocity, dark current and photocurrent. In this paper a complete theoretical model of the carrier mobility for semispherical quantum dot structures is developed. This model is based on the

Circuit Theory and Applications

Design and Implementation of an Optimized Artificial Human Eardrum Model

This paper introduces a fractional-order eardrum Type-II model, which is derived using fractional calculus to reduce the number of elements compared to its integer-order counterpart. The proposed fractional-order model parameters are extracted and compared using five meta-heuristic optimization techniques. The CMOS implementation of the model is performed using the Design Kit of the Austria Mikro

Circuit Theory and Applications

Implementation of a fractional-order electronically reconfigurable lung impedance emulator of the human respiratory tree

The fractional-order lung impedance model of the human respiratory tree is implemented in this paper, using Operational Transconductance Amplifiers. The employment of such active element offers electronic adjustment of the impedance characteristics in terms of both elements values and orders. As the MOS transistors in OTAs are biased in the weak inversion region, the power dissipation and the dc

Circuit Theory and Applications

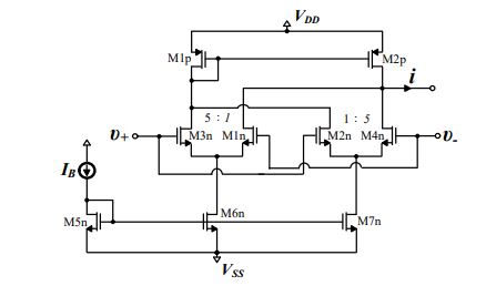
Generic FPGA Design of Spiking Neuron Model

This paper introduces a new representation of the human brain neuron cell response. Implementation of a single cell model of an excitatory and inhibitory neuron. The architecture is based on mimic the real reaction of the neuron cell. Excitatory and inhibitory are implemented in generic form for all neuron's behavior. The design is tested experimentally using FPGA. The designs have been realized

Circuit Theory and Applications

Energy Trading Based on Smart Contract Blockchain Application

Energy and clean energy are big concerns and interests. As the needs differ from area to another, different solutions appear. Energy cost, availability, reliability and trading rules are important keys in energy market. Energy sharing is a hot topic as a consumer being a part of the sustainable distributed system also making benefits such as Prosumer. Blockchain technology provides more secure

Circuit Theory and Applications

Identifying the Parameters of Cole Impedance Model Using Magnitude Only and Complex Impedance Measurements: A Metaheuristic Optimization Approach

Due to the good correlation between the physiological and pathological conditions of fruits and vegetables and their equivalent Cole impedance model parameters, an accurate and reliable technique for their identification is sought by many researchers since the introduction of the model in early 1940s. The nonlinear least squares (NLS) and its variants are examples of the conventional optimization

Circuit Theory and Applications

Low Power Scalable Ternary Hybrid Full Adder Realization

Multi-level electronic systems offer speed and area simplicity, reducing the complexity of implementation and power dissipation. In this paper, a Hybrid ternary Full Adder (FA) is proposed using Conventional Complementary Metal Oxide Semiconductor (CCMOS), Double Pass-transistor Logic (DPL), and Pass Transistors (PT). The proposed FA is extended up to 64-bits to test scalability. To validate the

Circuit Theory and Applications

Atmospheric pressure air microplasma current time series for true random bit generation

Generating true random bits of high quality at high data rates is usually viewed as a challenging task. To do so, physical sources of entropy with wide bandwidth are required which are able to provide truly random bits and not pseudorandom bits, as it is the case with deterministic algorithms and chaotic systems. In this work we demonstrate a reliable high-speed true random bit generator (TRBG)

Circuit Theory and Applications
Software and Communications
Mechanical Design