banner

Publications

Filter by

Effect of Different Approximation Techniques on Fractional-Order KHN Filter Design

Having an approximate realization of the fractance device is an essential part of fractional-order filter design and implementation. This encouraged researchers to introduce many approximation techniques of fractional-order elements. In this paper, the fractional-order KHN low-pass and high-pass filters are investigated based on four different approximation techniques: Continued Fraction Expansion

Circuit Theory and Applications

A generalized family of memristor-based voltage controlled relaxation oscillator

Recently, memristive oscillators are a significant topic in the nonlinear circuit theory where there is a possibility to build relaxation oscillators without existence of reactive elements. In this paper, a family of voltage-controlled memristor-based relaxation oscillator including two memristors is presented. The operation of two memristors-based voltage relaxation oscillator circuits is

Circuit Theory and Applications

Fractional-Order Relaxation Oscillators Based on Op-Amp and OTRA

This paper introduces closed formulas of two topologies of fractional-order relaxation oscillators. One of these topologies is based on Operational Amplifier (Op-Amp) and the other one depends on Operational Operational Trans-Resistance Amplifier (OTRA). Special cases for each topology are also provided. The advantage of these designs comes from the added extra degree of freedom presented by the

Circuit Theory and Applications

Comparison between three approximation methods on oscillator circuits

The promising capabilities of fractional-order devices challenge researchers to find a way to build it physically. Approximating the Laplacian operator sα can pave the way to emulate the fractional-order devices till its off-the-shelf appearance. This paper introduces three approximations of the Laplacian operator sα: Oustaloup, Matsuda, and Valsa by comparing their behaviors through two types of

Circuit Theory and Applications

FPGA Implementation of X- and Heart-shapes Controllable Multi-Scroll Attractors

This paper proposes new multi-scrolls chaotic systems which is called the X-shape. The purpose is to have more complex systems and flexible ranges of the chaotic behavior. The proposed X-shape is a combination between V-shape and Λ-shape. This paper also represents the Heart-shape which considered a special case of the X-shape. The system complexity has been measured by MLE and compared with V

Circuit Theory and Applications

Automatic RTL coding correction Linting tool for critical issues

This paper posits an automatic handling to some of the most common RTL critical issues in the verification process. In this paper, we propose an automatic linting tool to handle some causes of intentional latches generated in the synthesis process and clock gating timing violation. Therefore, no need to waste verification time to dive through long codes to handle them manually. The proposed tool

Circuit Theory and Applications

Two topologies of fractional-order oscillators based on CFOA and RC networks

This paper presents two general topologies of fractional order oscillators. They employ Current Feedback Op-Amp (CFOA) and RC networks. Two RC networks are investigated for each presented topology. The general oscillation frequency, condition and the phase difference between the oscillatory outputs are investigated in terms of the fractional order parameters. Numerical simulations and P-Spice

Circuit Theory and Applications

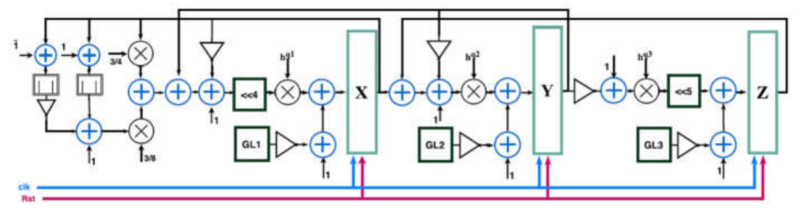
FPGA implementation of fractional-order Chua's chaotic system

This paper introduces FPGA implementation of fractional order double scrolls chaotic system based on Chua circuit. Grunwald-Letnikov's (GL) definition is used to generalize the chaotic system equations into the fractional-order domain. Xilinx ISE 14.5 is used to simulate the proposed design and Artix-7 XC7A100T FPGA is used for system realization. Experimental results are presented on digital

Circuit Theory and Applications

FPGA implementation of fractional-order integrator and differentiator based on Grünwald Letnikov's definition

The fractional-order derivative and integral of Grünwald Letnikov's definition are implemented based on FPGA for different fractional orders. A new algorithm is proposed to implement the GL integral based on linear approximation approach, where the memory dependency of the fractional order systems is eliminated. Moreover, the linear approximation design shows an improvement of 91% and 92% in the

Circuit Theory and Applications

PREFACE

[No abstract available]

Circuit Theory and Applications